Seria iE5
To idealne rozwiązanie dla małych maszyn, w których bardzo istotną rolę odgrywają wymiary i funkcjonalność. Charakteryzuje się niezwykle prostą konfiguracją i dedykowana jest do wszelkich aplikacji, związanych z integracją małych systemów.
moce znamionowe: 0,1 ; 0,2 i 0,4kW zasilanie 1-fazowe
bardzo małe gabaryty
5 wejść wielofunkcyjnych
wbudowana komunikacja Modbus
wejście analogowe 0–10V lub 4-20mA
metoda sterowania: U/f
wbudowany regulator PID
Charakterystyka:
Przemiennik iE5 dostępny jest dla silników o mocy od 0,1 do 0,4KW, w wykonaniu o zasilaniu jednofazowym. Stopień ochrony obudowy, to IP20. Na samym urządzeniu umiejscowiono potencjometr, który umożliwia precyzyjne sterowanie prędkością i znacznie skraca czas uruchomienia. Inteligentne umiejscowienie zacisków wejściowo/wyjściowych ułatwia montaż i czyni przemiennik elastycznym pod względem miejsca i orientacji montażu.
Modele i specyfikacja:


Parametry i główne funkcje:
Przemiennik iE5 posiada jedynie niespełna dziewięćdziesiąt parametrów, podzielonych na dwie podstawowe grupy. Wyróżniającą cechą urządzenia jest potencjalna łatwość i szybkość programowania. Ustawienie tylko pięciu parametrów pozwala na podstawową pracę urządzenia. Umożliwia to operowanie z urządzeniem nawet niedoświadczonym lub początkującym użytkownikom.
kwadrat prędkości krokowe dla skokowej regulacji prędkości;
kwadrat funkcja lotnego startu, przejmowanie wirujących bezwładności podczas ruchu;
algorytm sterowania U/f z krzywą liniową i kwadratową dla pomp i wentylatorów;
funkcja omijania częstotliwości rezonansowych;
wbudowany regulator PID dla regulacji procesów;
5 dowolnie konfigurowalnych wejść cyfrowych (dostępne 24 funkcje);
wyjście analogowe w standardzie napięciowym;
sterowanie trójprzewodowe (3 – wire) oraz funkcja motopotencjometru;
ręczne i automatyczne forsowanie momentu;
bardzo wysoki moment 150% przy częstotliwości 0,5Hz;
ekstremalnie mały gabaryt: 68x128x85 [mm];
sterowanie wejściami cyfrowymi w standardzie NPN oraz PNP;
wbudowana komunikacja Modbus RTU;
pełen pakiet zabezpieczeń silnika: przeciążeniowe, zwarciowe, utyk, doziemne, przeciwko zbyt wysokiemu i zbyt niskiemu napięciu;
wysoka przeciążalność 150%/60 sekund w cyklu co 10 minut;
praca automatyczna;
hamowanie prądem DC;
Sposób podłączenia:

Przeznaczenie:
Przemiennik częstotliwości serii iE5 to idealne rozwiązanie dla aplikacji, gdzie istotną rolę stanowią wymiary oraz gabaryt. Dedykowany dla wszelkich rozwiązań napędowych, związanych z integracją maszyn. Świetnie sprawdza się również w aplikacjach domowych, takich jak: bramy automatyczne, jacuzzi, fontanny.
Seria iC5
bardzo tanim i prostym rozwiązaniem regulacji prędkości obrotowej silników w wielu rodzajach maszyn i urządzeń.
moce znamionowe od 0,4kW do 2,2kW
wbudowany potencjometr oraz filtr RFI
sterowanie wektorowe oraz U/f
funkcja autotuningu
wybór sygnału sterowania NPN/PNP
5 wejść i 2 w yjścia cy frowe programowalne
wejście analogowe 0-10V i 4-20mA
Charakterystyka:
Przemienniki serii iC5 produkowane są jedynie w wykonaniu o zasilaniu jednofazowym. Pokrywają zakres mocy silników od 0,4KW do 2,2KW włącznie. Przemiennik dysponuje dość pokaźnymi,
jak na jednostkę kompaktową, zasobami programowymi. Dzięki temu, urządzenie posiada charakter dość uniwersalny i z powodzeniem można go używać w znakomitej większości mniej i średnio wymagających aplikacjach napędowych. Każdy model przemiennika posiada standardowo wbudowany filtr EMC kategorii C3, zabudowany potencjometr do płynnej regulacji prędkości oraz zintegrowany interfejs użytkownika w postaci panelu sterowniczego. Przemiennik oferuje znakomitą kontrolę prędkości i momentu silnika. Zaimplementowany algorytm sterowania wektorem pola oraz funkcja autotuningu silnika zapewniają wysoki moment startowy.
Modele i specyfikacja:


Sposób podłączenia:

Parametry i główne funkcje:
Seria iC5 oferuje użytkownikom wiele dedykowanych funkcji oraz nastaw, co sprawia, że napęd jest elastyczny i daje możliwość uniwersalnego aplikowania. Parametry rozłożono na cztery przejrzyste grupy. Podobnie jak w serii iE5, nastawa pięciu podstawowych parametrów pozwala na operowanie z silnikiem. Spośród dostępnych funkcji i cech własnych, wyróżnić należy przede wszystkim:
algorytm sterowania wektorem pola w trybie bezczujnikowym;
sterowanie U/f z dostępem do wielu krzywych;
funkcja autotuningu silnika;
wbudowany regulator PID dla regulacji procesów;
hamowanie prądem stałym;
pięć w pełni konfigurowalnych wejść cyfrowych;
sterowanie krokowe dla skokowej regulacji prędkości;
wbudowany filtr EMC kategorii C3;
zabudowany potencjometr do płynnej regulacji prędkości;
sterowanie wejściami cyfrowymi w standardzie NPN i PNP;
dwa konfigurowalne wyjścia;
praca automatyczna;
funkcja lotnego startu;
ręczne i automatyczne forsowanie momentu;
liczne tryby zadawania częstotliwości;
komunikacja Modbus RTU jako opcja;
wysoki moment startowy (150% przy 0,5Hz);
kompaktowa budowa;
stopień ochrony IP20
Przeznaczenie:
Przemiennik serii iC5 znajduje zastosowanie w większości mniej zaawansowanych aplikacji, począwszy od napędu wentylatora i pompy, skończywszy na transporterach, podnośnikach, mieszalnikach i extruderach. Znakomity stosunek jakości do ceny czyni go jednym z najbardziej ekonomicznych rozwiązań napędowych dostępnych na rynku.
Seria M100
Kompaktowy przemiennik częstotliwości serii M100 w wersji Standard to doskonały wybór dla typowych aplikacji, w których istotna jest oszczędność miejsca, czasu oraz kosztów instalacji i eksploatacji, a także ograniczenie zużycia energii.
Falowniki LG serii M100 dostępne są w trzech wariantach obudowy - opisywany tutaj model LSLV0004M100-1EOFNA o mocy 0,4kW wykonany został w obudowie typu "B".
Do istotnych zalet falowników M100 należy zaliczyć między innymi wbudowany filtr przeciwzakłóceniowy EMC klacy C2, wbudowny modu hamowania (w modelach o mocy od 1,5kW), możliwość montażu na szynie DIN oraz montażu jeden przy drugim (Side-by-Side, z zachowaniem jedynie 2 milimetrowych odstępów pomiędzy urządzeniami), wbudowany potencjometr oraz szybkie menu zapewniające łatwy dostęp do najszczęściej wykorzystywanych parametrów falownika.
Producent falowników - firma LG zaprojektowała dodatkowo dla serii M100 urządzenie o nazwie "Smart Copier", które po połączeniu z falownikiem za pomocą złącza RJ45 pozwala na pobieranie i zapisywanie konfiguracji napędu nawet bez konieczności jego podłączania do sieci zasilającej.
Dla serii M100 została również zaprojektowana zewnętrzna klawiatura, którą w łatwy sposób za pomocą złącza RJ45 można połączyć z jednostką główną falownika i umiejscowić np. na obudowie szafy sterowniczej.
Kolejnym rozwiązaniem znacznie skracającym czas konfiguracji oraz pozwalającym na wygodne monitorowanie pracy napędu jest możliwość połączenia falowników z komputerem PC za pomocą którego po zainstalowaniu aplikacji Drive View 7 można w szybki sposbów realizować wymienione powyżej czynności.
Parametry falowników LG serii M100:

- Filtr przeciwzakłóceniowy EMC klasy C2 - wbudowany w standardzie,
- Tranzystor hamowania - standardowo dostępny w falownikach o mocy do 1,5kW,
- Przystosowany do montażu na szynie DIN,
- Przystosowany do montażu jeden przy drugim (wymagane zachowanie jedynie 2mm odstępu),
- W standardzie wbudowany potencjometr pozwalający na zadawanie częstotliwości wyjściowej falownika,
- Możliwość łatwego podłączenia zewnętrznej klawiatury sterującej,
- Częstotliowść maksymalna: 400Hz,
- 3 programowalne wejścia cyfrowe,
- 1 programowalne wyjście cyfrowe,
- 1 wejście analogowe,
- 1 wyjście analogowe,
- 1 wyjście przekaźnikowe,
Dostępne funkcje:

- Możliwość kopiowania
- parametrów pomiędzy falonikami za pomocą urządzenia Smart Copier (możliwość ta jest dostępna nawet bez konieczności podłączania przemiennika do źródła zasilania),
- Prędkości krokowe,
- Konfigurowalna rampa startu i hamowania,
- Hamowanie DC,
- Motopotencjometr,
- Kompensacja poślizgu,
- Regulacja PID,
- Funkcje oszczędzania energii,
- Funkcja szukania prędkości,
- Automatyczny restart,
- Sterowanie 2-silnikowe,
| Model | Moc | Prąd |
| LSLV0001M100-1EOFNA | 0,1KW | 0,8A |
| LSLV0002M100-1EOFNA | 0,2KW | 1,4A |
| LSLV0004M100-1EOFNA | 0,4kW | 2,4A |
| LSLV0008M100-1EOFNA | 0,75kW | 4,2A |
| LSLV0015M100-1EOFNA | 1,5kW | 7,5A |
| LSLV0022M100-1EOFNA | 2,2kW | 10A |
Do typowych zastosowań falowników LG serii M100 należą między innymi:
- aplikacje pompowo - wentylacyjne, w tym wentylatory oddymiające,
- transportery i przenośniki tasmowe,
- maszyny pakujące,
- maszyny i urządzenia w których zastosowano silniki indukcyjne, silniki z magnesami trwałymi (PM), bezszczotnkowe silniki prądu stałego oraz synchroniczne silniki reluktancyjne,
Seria G100
Falownik LG G100 jest to napęd ogólnego przeznaczenia, z możliwością zastosowania w praktycznie wszystkich sektorach przemysłu wymagających dokładnego sterowania wektorowego bezczujnikowego. Dzięki ulepszonemu sterowaniu bezczujnikowemu wektorowemu, w porównaniu do serii iG5A napęd oferuje wyoki moment obrotowy przy niskiej prędkości oraz skuteczni kontroluje silnik.
Montaż Na Szynie DIN
Możliwość instalacji na szynie DIN oraz montażu jeden przy drugim z zachowaniem jedynie 2mm odstępów pomiędzy przemiennikami sprawiają, że napęd ten może zostać zastosowany w aplikacjach z ograniczoną przestrzenią montażową.
Wbudowany Filtr EMC
Falowniki LG serii G100 w standardzie posiadają wbudowany filtr przeciwzakłóceniowym klasy C3, dzięki czemu falownik spełnia wymagania dyrektywy EMC: EN61800-3 Cat.
Warto zaznaczyć również, że przemienniki częstotliwości LG serii G100 zostały zaprojektowane z uwzględnieniem wymagań norm MIL217PLUS ora UL61800-5, co wpływa na ich niezawodność oraz bezawaryjną pracę. Projektowana żywotność falownika LG G100 wynosi 27 lat.

Obsługa Komunikacyjnych Sieci Przemysłowych Oraz Łatwe Przenoszenie Ustawień
Do falowników LG serii G100 dostępnych jest wiele kart rozszerzeń umożliwiających pracę w następujących sieciach przemysłowych:
- Modbus,
- Profibus-DP,
- CANopen,
- EtherNet/IP,
Seria G100 współpracuje ponadto z urządzeniem SMART Copier, które umożliwia wygodne przenoszenie konfiguracji pomiędzy falownikami, nawet bez konieczności podłączania falownika do zasilania.
Główne Funkcje:
- Ulepszona kontrola - ulepszony tryb wektorowego sterowania bezczujnikowego zapewniający wysoki moment obrotowy przy niskich prędkościach oraz w warunkach dużego obiążenia,
- Możliwość montażu na szynie DIN, z zachowaniem jedynie 2mm odstępów pomiędzy falownikami,
- Port RJ45 z przodu falownika, pozwalajacy między innymi na wygodne przenoszenie konfiguracji pomiędzy przemiennikami częstotliwości bez konieczności wyjmowania z opakowania,
- Obsługa następujących sieci komunikacyjnych: Modbus, Profibus-DP, CANopen, 2 Port EtherNet/IP,
Sterowanie:
- Tryb sterowania: V/f kompensacja poślizgu oraz bezczujnikowe sterowanie wektorowe,
- Dokładność zadawania częstotliwości: 0.01Hz (cyfrowo) / 0.06Hz (analogowo),
- Poziom częstotliwości: 1% częstotliowści szczytowej,
- Krzywa U/f: Liniowa, kwadratowa, zdefiniowana przez użytkownika,
- Przeciążalność: 150% / 1 min (tryb Heavy Duty), 120% / 1 min (tryb Normal Duty),
- Wzmocnienie momentu: pasywne / automatyczne,
Działanie:
- Opcje sterowania pracą falownika: klawiatura / lista zaciskowa / protokół komunikacyjny,
- Zadawanie częstotliwości: analogowo: -10..+10V, 0..+10V, 4..20mA / cyfrowo: klawiatura,
- Wejścia cyfrowe: 5,
- Wyjście analogowe: 1,
- Wyjście przekaźnikowe: 1,
- Wbudowany regulator PID,
- Sterowanie 3-przewodowe,
- Limit częstotliwości,
- Funkcja drugiego silnika,
- Hamowanie DC,
- Kompensacja poślizgu,
- Auto-Restart,
- Auto-Tuning,
- Buforowanie energii,
- Przełączalna logika wejść cyfrowych NPN / PNP,
- Prędkości krokowe,

Seria iG5A
Przemiennik ze sterowaniem bezczujnikowym wektorowym, wyposażony w wiele dodatkowych funkcji, mogących być wykorzystywanych w wielu trudnych
aplikacjach.
zasilanie 1-fazowe i 3-fazowe 3x230V i 3x400V
moce znamionowe od 0,4kW do 22kW
opcja zewnętrznej klawiatury LED
wbudowany moduł hamujący i komunikacja Modbus
wejście analogowe -10..+10V/0-10V i 4-20mA
możliwość sterowania sygnałem -10 … +10V
wiele sposobów sterowania prędkością silnika
Charakterystyka:
Seria iG5A dostępna jest w dwóch wykonaniach: z zasilaniem jednofazowym oraz z zasilaniem trójfazowym. Pokrywa ona zakres mocy silników od 0,4KW do 22KW włącznie. Standardowo na wyposażeniu przemiennika znajduje się filtr EMC kategorii C4, moduł hamujący oraz zintegrowany interfejs użytkownika w postaci panelu sterowniczego. Niebanalnym atutem jest obecność wielu dedykowanych funkcji oraz wspaniały stosunek jakości do ceny. Przemiennik iG5A to ekonomiczne, pewne i elastyczne rozwiązanie dla większości spotykanych aplikacji. Jako opcja dostępna jest zewnętrzna klawiatura z przewodem, którą można instalować na elewacji szaf czy obudów sterowniczych. IG5A pod względem rozmieszczenia i ilości parametrów przypomina w dużej mierze serię iC5. Parametry rozłożone są w czterech przejrzystych grupach. Dla podstawowego działania wystarczy implementacja, podobnie jak w serii iC5, pięciu bazowych parametrów. Ze względu na obecność wbudowanego modułu hamującego, przemiennik doskonale sprawdza się tam, gdzie wymagane jest dynamiczne hamowanie lub krótki czas zatrzymania napędu. Model ten dostępny jest również w specjalnym wykonaniu, z częstotliwością wyjściową do 1000Hz (wrzeciona CNC).
Parametry i główne funkcje:
Przemiennik iG5A posiada na wyposażeniu wiele dedykowanych funkcji aplikacyjnych. Głównym atutem przemiennika jest jego uniwersalność, elastyczność i ogólne przeznaczenie. I tak, za sprawą dedykowanych funkcji możliwa jest obsługa hamulca silnika, szczególnie ważna w aplikacjach takich, jak: windy, podnośniki, suwnice. Wbudowany kalkulator przewijakowy pozwala na budowanie prostych układów przewijająco – nawijających. Prosty do obsługi regulator PID daje możliwość regulacji wielu procesów. Główne cechy produktu:
Dostępny w wykonaniu z zasilaniem jednofazowym (0,4-1,5KW) i trójfazowym (0,4KW – 22KW).
Algorytm sterowania U/f i bezczujnikowy wektorowy.
Funkcja autotuningu silnika.
Wysoki moment startowy.
Funkcja obsługi hamulca.
Funkcja kalkulatora nawijakowego.
Wbudowany moduł hamujący i filtr EMC C4.
Regulator PID do regulacji procesów.
Swobodnie programowalne wejścia/wyjścia (aż 8 wejść cyfrowych).
Sterowanie wejściami w standardzie NPN i PNP.
Wbudowany pełen pakiet zabezpieczeń silnika.
Funkcja lotnego startu.
Funkcja KEB (buforowanie energii kinetycznej).
Praca automatyczna.
Sterowanie góra/dół i motopotencjometru.
Forsowanie momentu ręczne i automatyczne.
Wbudowana komunikacja Modbus RTU.
Dostępna, opcjonalna klawiatura sterująca (zdejmowalna).
Modele i specyfikacja:


Sposób podłączenia i widok listwy wejść/wyjść:

Przeznaczenie:
Przemiennik serii iG5A posiada uniwersalne przeznaczenie i stosowany może być w wielu aplikacjach: pompy i wentylatory, przenośniki i transportery, młyny i mieszalniki, kruszarki, wirówki, prasy, wrzeciona, suwnice, i wiele innych. Seria iG5A to najbardziej ekonomiczne rozwiązanie napędowe
o szerokich możliwościach aplikacyjnych.
Seria S100
Idealny do bardzo wymagających aplikacji, dający duże możliwości wykorzystania go w systemach automatyki.
Wysoka jakość wykonania, niezawodność i zaawansowane możliwości sprawiają, że jest to jedno z najlepszych rozwiązań na rynku.
moce znamionowe od 0,4kW do 75kW
możliwość pracy stało i zmienno-momentowej
możliwość montażu „side by side”
bardzo małe wymiary
wbudowany filtr, moduł hamujący oraz dławik DC
opcje komunikacji: Ethernet, CAN, Profibus, Profinet, EterCAT
dostępny w stopniu ochrony Ip66 do 22kW
Charakterystyka:
Nowoczesność, uniwersalność, prostota i bardzo korzystny współczynnik jakości do ceny, to główne cechy wyróżniające nową serię, na tle modeli konkurencji. W urządzeniu wprowadzono wiele nowinek, niespotykanych dotychczas w ofercie LSIS: technologia Dual CPU (dwa procesory – główny CPU DSP oraz pomocniczy MCU I/O), wewnętrzna wymiana danych odbywa się za pomocą magistrali Can, znacznie udoskonalony algorytm bezczujnikowego sterowania wektorowego, innowacyjny system chłodzenia, wejście bezpieczeństwa. Docelowo seria S100 ma być następcą, bardzo popularnej serii przetwornic z rodziny IG5A. Falowniki S100 zakupić można w dwóch różnych stopniach ochrony (IP20 oraz IP66) oraz w dwóch typach zasilania (jedno i trójfazowe). Podobnie jak w serii IS7, S100 posiada pracę dual rating, która w zależności od typu obciążenia, pozwala na operowanie z większymi bądź mniejszymi silnikami (dla obciążeń zmiennomomentowych dobór mocowo typoszereg niżej, aniżeli wskazuje na to tabliczka znamionowa silnika). Przekrój mocy prezentuje się następująco:
Zasilanie jednofazowe 1x 230VAC dla mocy: 0,4 ; 0,75 ; 1,5 ; 2,2KW;
Zasilanie trójfazowe 3x 400VAC IP20 dla mocy od 0,4 do 22KW (docelowo pod koniec roku oferta zostanie uzupełniona o moce do 75KW włącznie);
Zasilanie trójfazowe 3x400VAC IP66 dla mocy od 0,4 do 22KW włącznie;
Modele i specyfikacja:



Wykonanie o stopniu ochrony IP66

Nowa generacja napędów S100 została dosyć mocno odchudzona, pod względem gabarytu. Jest również możliwość instalacji urządzeń jeden obok drugiego, co pozwala na bardzo duże oszczędności miejsca na płycie montażowej. Porównując model o mocy 11KW z dotychczasową serią IG5A (wymiary i waga), S100 jest prawie o 40% mniejszy:
Rys. 1 Porównanie gabarytu serii IG5A oraz S100.
Dodatkowo, w całym typoszeregu mocy wbudowany jest filtr EMC kategorii C3 oraz moduł hamujący. Dla mocy 30 – 75KW włącznie, w obwodzie pośrednim prądu stałego zainstalowany jest dławik, poprawiający współczynnik mocy oraz redukujący współczynnik THDI.
Parametry i główne funkcje:
Falownik oferuje użytkownikowi ogromne możliwości aplikacyjne. W bardzo łatwy sposób można dostosować urządzenie do swoich własnych, czasami bardzo wyrafinowanych potrzeb
(np. standardowo max. częstotliwość wyjściowa 400Hz, po przestawieniu odpowiedniego parametru jest możliwość operowania z silnikami do 1000Hz). Seria S100 oferuje większość funkcji, jakie dostrzec można w istniejącej, przemysłowej serii IS7 (obsługa hamulca, KEB, lotny start, zapobieganie pracy regeneratywnej, sterowanie prędkościowe i momentowe oraz wiele innych). Wbudowane wejścia/wyjścia:
7 dowolnie programowanych wejść cyfrowych (wybór standardu NPN/PNP).
2 wejścia analogowe (jedno napięciowe, drugie uniwersalne napięciowe lub prądowe do wyboru przez użytkownika).
Wejście impulsowe do 32 KHz.
Wejście bezpieczeństwa STO, zgodne z SIL2, EN60204-1.
Wyjście otwarty kolektor.
Wyjście przekaźnikowe (zestyk przełączny).
Wyjście analogowe uniwersalne, napięciowe lub prądowe do wyboru przez użytkownika.
Wyjście impulsowe do 32 KHz.
Wejście PTU
Dodatkowym atutem jest obecność magistrali Modbus RTU (standard) oraz kart opcyjnych komunikacji: CanOpen, Ethernet IP/Modbus TCP, oraz Profibus – DP. Komunikacja Modbus RTU posiada prawie sześciokrotnie szybszą wymianę danych w porównaniu do serii IG5A (S100 prędkość komunikacji 115 kbps). Szczególną uwagę przyciąga funkcja programowania sekwencyjnego
(więcej informacji o programowaniu sekwencyjnym w dziale „do pobrania”). Pozwala ona na tworzenie prostych sekwencji, stworzonych przez użytkownika. Do dyspozycji posiadamy 28 różnych bloków funkcyjnych, które łączyć należy za pomocą linków (adresów) z odpowiednimi parametrami wejściowo – wyjściowymi. Użytkownik ma również możliwość definicji czasu pętli programowej.
W skład bloków funkcyjnych wyróżnić należy operacje arytmetyczne, logiczne, timery, komparatory, testowanie bitów. Falownik oferuje również komunikację P2P pomiędzy jednostkami połączonymi
za pomocą portu RS-485. Możliwa jest parametryzacja wielu rządzeń z poziomu jednej klawiatury, dzielenie wejść/wyjść.
Przeznaczenie:
Przemiennik częstotliwości z założenia ma charakter uniwersalnego napędu do większości aplikacji:

Mnogość dostępnych funkcji, liczne karty komunikacyjne, wbudowane funkcje PLC oraz wejście bezpieczeństwa, czynią przetwornicę S100 uniwersalnym narzędziem dla znakomitej większości aplikacji przemysłowych.
Seria H100
Został zaprojektowany z myślą o wymaganiach stawianych przez branże HVAC (branża wodna, sanitarna, pompowa, grzewcza, wentylacyjna, klimatyzacyjna).
moce znamionowe od 0,75kW do 90kW
klawiatura LCD w standardzie
małe wymiary i kompaktowa budowa
wbudowany zegar czasu rzeczywistego
port USB w standardzie
makra aplikacyjne
rozwiązania sterowania wielosilnikowego
Charakterystyka:
Docelowo, seria H100 będzie następcą bieżącej, bardzo popularnej serii IP5A, w całym przekroju mocy. Obrazek poniżej ilustruje różnicę w gabarycie obu serii. Wyraźnie widać, że H100 został dosyć mocno odchudzony (średnio 34% mniejszy, biorąc pod uwagę wymiary i wagę).
Duża redukcja rozmiaru pozwala na oszczędność miejsca w szafie sterowniczej, a co za tym idzie minimalizację kosztów instalacji i prac z nią związanych. Dodatkowym atutem jest również instalacja urządzeń „jeden obok drugiego” z minimalną przerwą, wynoszącą jedynie 2 mm. Dla porównania, seria IP5A wymagała minimalnej przerwy, wynoszącej aż 50 mm. Należy również nadmienić, że w tak małej obudowie upakowano zarówno filtr EMC kategorii C3, który jest standardem dla mocy 0,75 KW – 30KW włącznie, oraz dławik DC, który pozytywnie wpływa na współczynnik mocy oraz zawartość harmonicznych prądowych, dla mocy 37KW – 90KW włącznie.
Przemiennik H100 dostępny jest jedynie w wykonaniu o zasilaniu trójfazowym
dla napięć 3x230VAC oraz 3x400VAC oraz stopniu ochrony IP20. Przekrój mocy wynosi
od 0,75KW do 90KW. Szereg ten zostanie rozszerzony o jednostki do mocy 450KW włącznie. Z definicji falownik jest dedykowany do aplikacji HVAC, z tego powodu standardowa przeciążalność jednostki wynosi 120% prądu znamionowego przez okres 60 sekund. Użytkownik do dyspozycji posiada sterowanie z dowolną krzywą U/f, z lub bez kompensacji poślizgu, a przy odpowiednich nastawach H100 może pełnić również rolę napędu do aplikacji ciężkich ze sterowaniem stałomomentowym (wymagane przeprowadzenie pełnego autotuningu silnika oraz wybór odpowiedniego makra). Możliwa jest również kontrola silników PMSM lub praca z silnikami indukcyjnymi, asynchronicznymi do 1000Hz
(wymagane ustawienie odpowiedniego typu przetwornicy).
Podobnie jak ma to miejsce w serii S100, H100 posiada wiele nowinek technicznych
i nowości, których brak we wcześniejszych seriach producenta LSIS. Nowoczesne komponenty, nowa architektura przesyłu danych, złącze USB do komunikacji z komputerem PC, nowy system chłodzenia, możliwość instalacji radiatora poza szafą sterowniczą i wiele, wiele innych. Standardowa listwa wejść/wejść wygląda następująco:
7 wejść cyfrowych dowolnie programowalnych.
2 wejścia analogowe (wybór standardu prąd/napięcie/wejście czujnika temperatury).
Wejście impulsowe do 32KHz.
2 wyjścia analogowe (wybór standardu prąd/napięcie).
Wyjście impulsowe do 32KHz.
Wbudowana komunikacja w oparciu o warstwę fizyczną RS-485: Modbus RTU, Metasys N2, BacNet MS/TP.
Wyjście otwarty kolektor (dowolnie programowalne).
5 przekaźników wyjściowych (dowolnie programowalne).
Modele i specyfikacja:


Parametry i główne funkcje:
Mnogość różnorodnych wejść/wyjść, wbudowany filtr EMC, niewielki gabaryt oraz wbudowana komunikacja BacNet czynią z przetwornicy idealne rozwiązanie również dla branży BMS. Definitywnie H100 jest bardzo potężnym narzędziem, zdolnym obsłużyć każdą aplikację wodno – ściekową oraz BMS.
Szczególnym udogodnieniem, z punktu widzenia operatorów, aplikatorów HVAC, jest specjalnie zaprojektowana pod ich potrzeby klawiatura. Sam wygląd klawiatury, kształt, sposób obsługi do złudzenia może przypominać panel serii IS7, jednakże u dołu widnieją trzy dedykowane dla branży HVAC przyciski: Auto, Hand, Off. Za pomocą tylko tych trzech przycisków możliwa jest zmiana sterowania lokalnego/zdalnego, włączenie nastawionego trybu auto lub wyzwolenie funkcji użytkownika (definiowana akcja przycisku).

Dodatkowo, przemiennik oferuje ogrom funkcji dedykowanych dla aplikacji wodno – ściekowych:
Znacznie rozbudowany regulator PID: PID procesowy z obsługą dwóch sygnałów PID zewnętrznych, z obsługą funkcji Sleep, sleep boost, wake up, 39 dedykowanych jednostek fizycznych regulacji.
Funkcja trybu pożarowego: po otrzymaniu sygnału z czujnika PPOŻ, przemiennik rozpoczyna pracę i ignoruje większość błędów, aż do momentu uszkodzenia lub zdjęcia sygnału PPOŻ.
Wbudowany zegar czasu rzeczywistego: możliwość tworzenia harmonogramów pracy (8 harmonogramów, 4 przedziały czasowe, 8 wątków za wyjątkiem daty, 30 funkcji działania).
Funkcja niedociążenia/suchobiegu pompy (użytkownik deklaruje własną krzywą obciążenia, która pełni rolę krzywej odniesienia dla aktualnego obciążenia).
7 makr dedykowanych: wentylator, wentylator wyciągowy, pompa cyrkulacyjna, pompa, wieża chłodnicza, kompresor, stały moment. Za pomocą tylko jednego parametru z grupy makro, operator jest w stanie przygotować przemiennik do pracy z daną aplikacją/obciążeniem.
Kompensacja przepływu: funkcja kompensacji przepływu przydatna jest w sytuacji, gdy pompa tłoczy płyn do bardzo długich rur ułożonych horyzontalnie. Przy bardzo długich odległościach występują znaczne straty ciśnienia, które mogą być kompensowane przy użyciu właśnie tych funkcji.
Miękkie wypełnianie: Funkcja chroniąca pompę przed uderzeniami wodnymi, wzrostem ciśnienia, uderzeniami hydraulicznymi. Funkcja pozwala na delikatne i płynne napełnianie rur.
Sterowanie wielosilnikowe: pięć wbudowanych przekaźników wyjściowych pozwala na operowanie z pompą główną oraz pięcioma pompami pomocniczymi. Pompy pomocnicze załączane bezpośrednio z sieci. Dostępne konfiguracje: Interlock, Auto Change, Bypass.
Dedykowana rampa stopowa dla pomp: funkcja niweluje uderzenia wodne podczas stopu pompy lub podczas zamykania zaworu. Funkcja modyfikuje rampę stopową
w celu ochrony łożysk napędu.
Rampa startowa & stopowa: funkcja minimalizuje uderzenia wodne podczas otwierania lub zamykania zaworu.
Detekcja poziomu: w zależności od źródła sygnału poziomu, falownik pozwala
na wskaz czy poziom został przekroczony lub nie został osiągnięty (za pomocą
wyjścia przekaźnikowego).
Kontrola smarowania: po otrzymaniu sygnału start, wyjście przekaźnikowe zostaje otwarte na czas smarowania. Po ukończeniu smarowania, falownik startuje automatycznie.
Kontrola przepustnicy: w aplikacjach wentylatorowych, możliwe jest sterowanie przepustnicą z poziomu falownika H100.
Funkcja czyszczenia pompy: przeprowadza kilkukrotnie operację przyspieszania i hamowania wraz ze zmianą kierunku. Pozwala to na skuteczne pozbywanie się zanieczyszczeń pompy.
Funkcja wykrywania pękniętej/uszkodzonej rury.
Wstępne nagrzewanie silnika.
Przeznaczenie:
Nowa gama przetwornic H100 łączy w sobie większość funkcji przeznaczonych dla aplikacji HVAC i BMS wraz z nowoczesną architekturą i modernistycznym wyglądem. Bezdyskusyjnie jest to najlepsza alternatywa dla wielu modeli przetwornic spotykanych na polskim rynku.
Seria iS7
Wszechstronny, posiada skomplikowane algorytmy, które zapewniają wysokie parametry i precyzję pracy maszyn. iS7 to nowa generacja przemienników
dla bardzo wymagających aplikacji i bardzo odpowiedzialnych układów sterowania.
moce znamionowe od 0,75kW do 375kW
czytelna klawiatura LCD w języku polskim
możliwość odczytu do 4 parametrów on line
możliwość pracy stało i zmienno-momentowej
sterowanie ze sprzężeniem zwrotnym z enkoderem
szereg kart zewnętrznych I/O i karta PLC
funkcja Easy Start
Charakterystyka:
Na pierwszy rzut oka, cechami wyróżniającymi IS7 jest bardzo dobra jakość wykonania, solidnie osadzony radiator chłodzący, wbudowany port RS-485 z protokołem Modbus RTU, przyjazna
w obsłudze oraz intuicyjna klawiatura sterująca. Pomimo ogromnej ilości dostępnych funkcji, trybów sterowania, sama parametryzacja IS7 jest bardzo prosta. Dla mniej wprawionych użytkowników, producent oferuje asystenta parametryzacji, który aktywuje się podczas pierwszego uruchomienia i prowadzi użytkownika krok po kroku po matrycy parametrów, w celu podstawowej konfiguracji napędu. W bardziej wyrafinowanych aplikacjach, użytkownik musi skorzystać z szeregu zaaplikowanych parametrów, ustawiając je ręcznie.
Przemiennik standardowo, wyposażony jest w:
Zintegrowany filtr wejściowy EMC zgodny z IEC/EN 61800-3, środowisko 1, z przełącznikiem dla sieci IT.
Wbudowany dławik w obwodzie DC redukujący współczynnik THD, klasa izolacji F (155°C).
Zintegrowany moduł (czopper) hamujący (do mocy 22KW).
Podwójnie lakierowane płytki elektroniki (stabilna praca w ciężkich warunkach środowiskowych).
Przewymiarowane moduły mocy (IGBT) oraz kondensatory (wytrzymałość na duże przeciążenia: 150% In przez 60 sekund, 200% In przez 3 sekundy).
Przemiennik oferuje cztery tryby sterowania:
Standardowe sterowanie skalarne U/f ( z i bez kompensacji poślizgu, możliwość tworzenia własnej krzywej U/f, podbicie napięcia startowego, U/f kwadraturowe, U/f liniowe).
Sterowanie U/f w zamkniętej pętli.
Sterowanie wektorowe w otwartej pętli (dostępne dwa różne algorytmy, 150% momentu przy 0,1Hz).
Sterowanie wektorowe czujnikowe (do 250% momentu startowego ).
Dodatkowo, w zależności od potrzeb, możliwy jest wybór pracy z kontrolą momentu lub prędkości (sterowanie momentowe lub prędkościowe, przełączalne za pomocą cyfrowego sygnału podanego na wejście DI). Falownik produkowany jest w przedziale mocy: 0,75 – 375KW.
Modele i specyfikacja:

Dobór przemiennika iS7 zależnie od aplikacji:


Zaciski Sterujące Falowników IS7
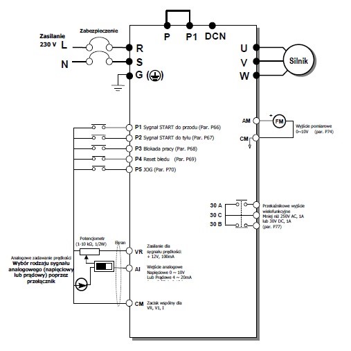
Falowniki LG serii iS7 zostały wyposażone w następujące zaciski sterujące:
- P1 – wielofunkcyjne wejście cyfrowe 1,
- P2 – wielofunkcyjne wejście cyfrowe 2,
- P3 – wielofunkcyjne wejście cyfrowe 3,
- P4 – wielofunkcyjne wejście cyfrowe 4,
- P5 – wielofunkcyjne wejście cyfrowe 5,
- P6 – wielofunkcyjne wejście cyfrowe 6,
- P7 – wielofunkcyjne wejście cyfrowe 7,
- P8 – wielofunkcyjne wejście cyfrowe 8,
- VR+ – źródło zasilania +12V, 100mA dla nastawy częstotliwości,
- VR- – źródło zasilania -12V, 100mA dla nastawy częstotliwości,
- V1 – analogowe wejście napięciowe 0..10V,
- I1 – analogowe wejście prądowe 4..20mA,
- 5G – zacisk wspólny,
- AO1 – analogowe wyjście napięciowe 0..10V,
- AO2 – analogowe wyjście prądowe 4..20mA
- Q1, EG – wyjście wielofunkcyjne typu otwarty kolektor,
- 24 – źródło napięcia +24VDC, obciążalność 150mA,
- A1, B1, C1 – przekaźnik błędu,
- A2, C2 – wielofunkcyjne wyjście cyfrowe – sygnał pracy,
- S+, S-, CM – zaciski interfejsu RS-485,
Parametry i główne funkcje:
Falownik już w podstawowej konfiguracji pozwala na obsługę licznych aplikacji. Nie każdy jednak wymaga od swojej przetwornicy uniwersalności, gdyż znacząco wpływa to na cenę urządzenia. Dlatego producent, oferuje liczne karty rozszerzeń oraz wersje oprogramowania przetwornicy, które w połączeniu z podstawową jednostką IS7 tworzyć mogą różnorakie, niekiedy specjalistyczne wersje falownika IS7:
1. Aplikacyjne karty rozszerzeń:
Karta PLC: umożliwia obsługę lokalnych aplikacji, zbudowanych w okolicy przemiennika. Pozwala na wykonywanie operacji bitowych, arytmetycznych. Karta zbudowana na bazie platformy Master K-120S. Darmowe oprogramowanie programistyczne KGL Win.
Karta enkoderowa: współpraca z enkoderami inkrementalnymi, napięcie zasilania 5; 12; 15VDC, LineDriver; OpenCollector; Totem pole.
Karta dodatkowych wejść/wyjść: pozwala na rozbudowę licznych już wejść/wyjść cyfrowych i analogowych.
Karta Synchro: współpraca z enkoderami inkrementalnymi, synchronizacja prędkości/pozycji, do 15 napędów slave kontrolowanych przez napęd master.
Karta Z-Pulse: współpraca z enkoderami inkrementalnymi z obsługą sygnału Z. Budowa wału elektrycznego silnika, kontrola pozycji.
2. Komunikacyjne karty rozszerzeń:
Karta komunikacyjna Profibus-DP, Ethernet, LonWorks, DeviceNet, CanOpen, R-Net, CC-Link, profinet.
3. Dostępne wersje oprogramowania (niedostępne w standardowym wykonaniu):
Standardowa wersja oprogramowania: po zainstalowaniu dodatkowych kart rozszerzeń, w pamięci falownika, kolejno pokazuje się zestaw parametrów dodatkowych, skojarzonych z daną kartą rozszerzeń.
Wersja WEB IS7 – Przewijaki, nawijaki, odwijaki w różnych konfiguracjach:
Praca w otwartej i zamkniętej pętli sterowania (czujnik zwisu, naprężenia, enkoder) w trybie momentowym lub prędkościowym, automatyczne przeliczanie średnic taborów, funkcja automatycznej zmiany taboru, funkcja cięcia i sklejania przewijanego medium, i wiele, wiele więcej.
Wersja IS7 1000Hz (dla napędów wysokoobrotowych – sterowanie U/f).
Wersja z certyfikacją morską DNV – dostępna tylko na specjalne zamówienie.
Ten typ przetwornicy posiada zupełnie odmienną budowę zarówno obwodów mocy jak i samej obudowy.

Falownik IS7 standardowo programuje się za pomocą wielojęzycznej klawiatury LCD. Dla bardziej wymagających użytkowników oferowane jest całkowicie darmowe oprogramowanie „DriveView”, dzięki któremu w łatwy sposób możemy połączyć swój komputer z daną przetwornicą za pomocą portu RS-485 lub Ethernet (Ethernet dostępny przy użyciu opcjonalnej karty komunikacyjnej). „DriveView” pozwala na pełną, zdalną konfigurację urządzenia, jego monitoring, rysowanie trendów, eksportu ważnych danych z punktu widzenia SUR lub zwykłego użytkownika.
Dla jeszcze bardziej wymagających, oferujemy darmowe oprogramowanie na Smartfony z aplikacją android o nazwie „Ac Monitoring Drive”. Oprogramowanie daje możliwość podglądu na aktualny stan przetwornicy, przeglądu parametrów, podglądu na aktualny stan wejść/wyjść, rysowanie trendów i grafów. Dostęp do falownika możliwy jest z każdego miejsca na świecie za pomocą sieci Ethernet. Ciekawe rozwiązanie tworzy również specjalnie przygotowana aplikacja na panel HMI XP 40 (dotykowy, kolorowy, 7”), przy pomocy którego, możliwa jest parametryzacja oraz kontrola stanu przetwornicy. Panel łączy się z falownikiem za pomocą magistrali Modbus RTU (do 32 falowników zarządzanych przez jeden panel).
Opisane wyżej dostępne wersje oprogramowania oraz liczne karty rozszerzeń, czynią z falownika IS7 potężne narzędzie aplikacyjne. Bez dwóch zdań, stanowi to ciekawą alternatywę dla licznych jednostek napędowych, dostępnych na polskim rynku. Szczególnie istotne profity czerpać z tego może zwykły użytkownik, który ma możliwość całkowitej unifikacji jednostek napędowych
w zakładach produkcyjnych lub układach HVAC. Ze względu na możliwość obsługi obciążeń zmienno momentowych, przetwornice IS7 świetnie sprawdzają się w różnorodnych aplikacjach wodno-ściekowych oraz wentylacyjnych. Szczególnie w tych ostatnich, przydatna jest funkcja firemode, która występuje w standardowej wersji falownika. Dla układów pompowych zaś, IS7 oferuje dedykowane funkcje sterowania kaskadowego i sekwencyjnego (w tym regulacja PID, funkcja oszczędzania energii, funkcja uśpienia). Dla aplikacji HVAC, zlokalizowanych w wymagającym środowisku, dostępna jest wersja o stopniu ochrony IP54 (do 22KW). Wszechstronność, elastyczność oraz swoboda konfiguracji IS7 pozwala na zakup jednej serii przetwornicy częstotliwości do różnorodnych zadań. Korzyści, płynących z takiego rozwiązania jest co najmniej kilka:
Łatwość w budowaniu magazynu części zamiennych.
Unifikacja jednostek napędowych.
Łatwość w obsłudze z punktu widzenia operatora – jedna przetwornica, realizująca liczne aplikacje (rezygnacja z licznych dodatkowych szkoleń, przyzwyczajenia, kontakt z obsługą techniczną jednego dostawcy).
Niezawodność i dostępność – firma ANIRO posiada ogromny magazyn swoich produktów w całym typoszeregu mocy: 0,75 – 375 KW.
Serwis jednego dostawcy, dostępny na terenie kraju .
Niezawodność pracy falownika gwarantuje szereg funkcji ochronnych, zaimplementowanych w podstawowej konfiguracji urządzenia. Szczególną uwagę należy skierować na funkcje związane z chwilowym zanikiem lub brakiem zasilania:
CKF z możliwością automatycznego restartu po wykryciu zaniku lub braku zasilania.
Lotny start – przejęcie wirującej bezwładności po zaniku lub braku zasilania.
KEB – buforowanie energii zwrotnej, płynącej od silnika, podczas pracy regeneratywnej, podczas zaniku lub braku zasilania.
źródło
www.aniro.pl